Specifikacija materiala – S235 JR J2Jekleni univerzalni nosilec, KANAL, PLOŠČA PALICA, JEKLENA PLOŠČA
I BEAM (jekleni univerzalni nosilec / jekleni univerzalni steber)
HEA 100 – 100 mm x 96 mm x 8 mm – dolžina 2,5 m
HEA 360 – 300 mm x 350 mm 17,5 mm – dolžina 3,525 m
HEA 360 – 300 mm x 350 mm 17,5 mm – 1,68 m dolžine

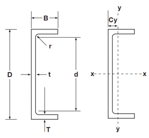
KANAL
80 mm (Š) x 164 mm (D), 134 mm (d), 15 mm (T) Debelina – 3,8 m v dolžino

PLOŠČA PALICA
80 mm širine x 28 mm debeline – 350 mm dolžine, 10x števila
PLOŠČA
20 mm debeline – 1,25 m x 2,5 m
30 mm debeline – 1,25 m x 2,5 m




